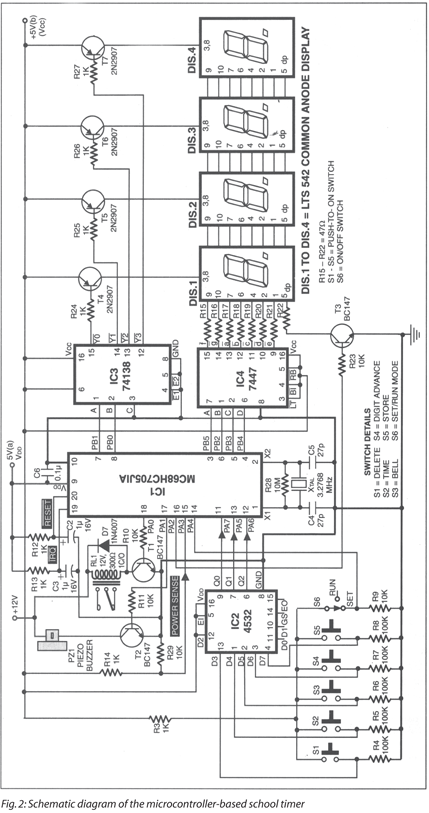
Digital Countdown Timer Schematic Diagram Circuit Diagram This microcontroller is used in Arduino which is a popular ready made easy to use microcontroller based system. The microcontroller contain Timers and Counters which are useful for creating time based interrupt, create counting mechanism for counting external events, creating signal waveform, for generating PWM signal for motor controls etc.

The time it stays HIGH is decided by the size of a resistor and a capacitor. The higher the values, the longer it stays HIGH. If you connect a buzzer to the output, you can create an alarm circuit that is triggered for example by a window being opened. 555 Timer One-Shot Example Circuit. The following circuit turns on an LED when you push the The Arduino-Timer library is a community-contributed library that enables users to configure timer-based events (tasks) without the need to do register-level programming for the timer modules. It uses the built-in timer-based millis and micros functions, so it's like a wrapper layer of useful APIs on top of the built-in timer-based functions.

PDF Lab 2: 8051 Circuit Diagram
The preloader value of the Timer bit can also be adjusted using pushbuttons to control the duration in which the interrupt occurs. What is TIMER in Embedded Electronics? Timer is kind of interrupt. It is like a simple clock which can measure time interval of an event. Every microcontroller has a clock (oscillator), say in Arduino Uno it is 16Mhz. Tout - The Cycle Time after the division. 4 - The division of the original clock (4 MHz) by 4, when using internal crystal as clock (and not external oscillator). Count - A numeric value to be placed to obtain the desired output frequency - Fout. (256 - TMR0) - The number of times in the timer will count based on the register TMR0.

Electronics projects based on ATmega32 microcontroller of AVR series. These ATmega32 projects and tutorials are explained with the help of schematics, source codes and videos. In this project we are going to design a simple Alarm clock using ATMEGA32 timers. ATmega32A microcontroller has a 16 bit timerโฆ July 15, 2015. 4x4 Keypad Real-Time Clock (RTC) These are low-resolution timers as compared to General purpose and Systick Timers. They are used to provide time in a human-readable form to the end-user and hence their resolution is usually 1 second. Its basic use is to tell the present time to the end-user, in other words, it acts as a digital watch. In the internal clock mode, Timer0 operates as a timer and uses the internal (FCPU) clock with or without a pre-scaler. The pre-scaler is an integer value that divides the CPU clock to give the Timer Clock, i.e., Timer Clock = FCPU/pre-scaler. When the pre-scaler is set to one or bypassed, the timer runs on the same clock as the CPU is running.

Using Arduino Timers with Examples Circuit Diagram
Timer 0 is one of the main timers/counters in the 8051 microcontroller, used for doing timing operations and counting events. It is divided into two 8-bit registers they are TL0 (Timer 0 Low byte) and TH0 (Timer 0 High byte). By combining both, these form a 16-bit timer/counter. TL0 (Timer 0 Low Byte) TL0 is the lower 8-bit register of Timer 0.